Los Estudiantes
Universidad Nacional de Colombia
Busca un profesor, materia o programa en Universidad Nacional de Colombia...
Log in
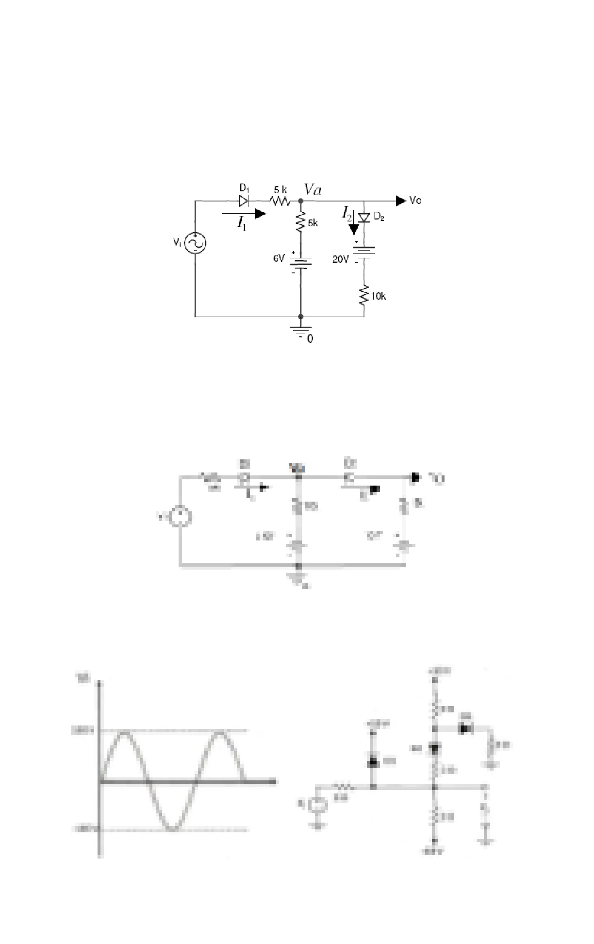
2016495 - Electronica Analoga I
Parcial 1 Baquero.pdf
Reportar
Parcial 1
1 página
PDF
Parcial 1 Baquero.pdf
Prof:
GIOVANNI ALDEMAR BAQUERO ROZO
VISTA PREVIA
1
¿Te fue útil este archivo?
0
Útil
No útil
Comentarios
Inicia sesión para ver los comentarios de este archivo.
Iniciar sesión
Ver todos los archivos de esta materia
Accede al archivo completo